欢迎进入东莞市一键商贸有限公司   网站
全国服务热线
0769-86435422
SKHCBGA010
产品简介
1.本产品目录中产品的颜色,与实物的颜色有所差异。 2.在高湿度环境下,或在有结露的可能性的环境下使用时,为防止端子间漏电流,在开关安装后请一定要进行涂敷以覆盖端子。 3.请避免使用含有甲苯,二甲苯的涂敷剂的。此外,如果关于涂敷剂的使用,有不明之处,请与我们联系。 4.为了保持防水性能,在开关安装后请一定要进行涂敷以覆盖端子。 5.请使用1.6m...
订购热线:0769-86435422
产品介绍
SKHCBGA010产品技术参数
1.类型:按入
2.动作力:2.55N
3.操作方向:Top push
4.行程:0.3mm
5.操作寿命(5mA 5V DC):500,000 cycles
6.初期接触电阻:100mΩ max.
7.按钮颜色:Dark gray
8.按钮:Joint stem
9.最小订货单位(pcs.):1,000

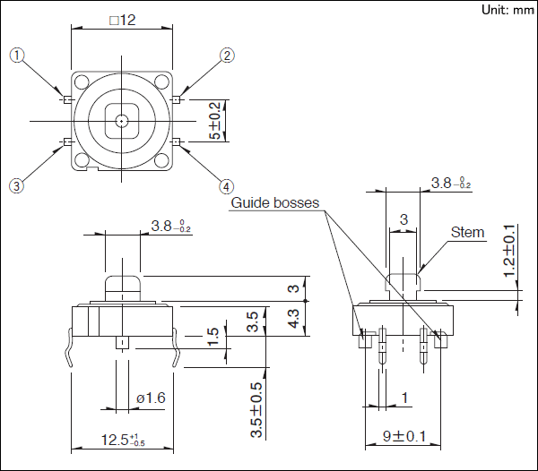
外形图


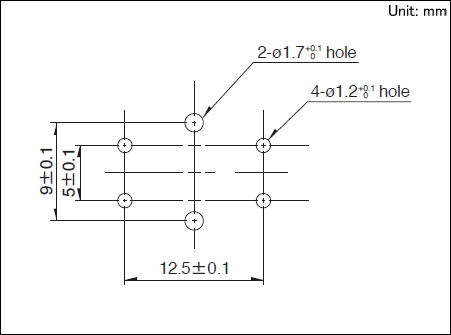
安装孔尺寸                                                          线路图
  
联系我们
东莞市一键商贸有限公司   
全国服务电话:0769-86435422
传真:0769-86435433
Q Q:639375660
公司地址:广东省东莞市长安镇太安路长安段915号4007室
我要订购
* 联系人
* 联系电话
电子邮件
QQ
* 产品名称
* 采购意向
温馨提示: 请填写采购的产品数量和产品描述,方便我们进行统一备货。
咨询热线:0769-86435422

Copyright © 东莞市一键商贸有限公司  版权所有 粤ICP备19159891号
全国服务电话:0769-86435422  传真:0769-86435433
公司地址:广东省东莞市长安镇太安路长安段915号4007室  网站地图