欢迎进入东莞市一键商贸有限公司   网站
全国服务热线
0769-86435422
SKHHDUA010
产品简介
1.本产品目录中产品的颜色,与实物的颜色有所差异。 2.请使用1.6mm板厚的印刷电路板。 3.请以最小订购单位的N(整数)倍来订货。 4.本系列产品也可以用于车载。
订购热线:0769-86435422
产品介绍
SKHHDHA010产品技术参数
1.类型:按入
2.动作力:0.98N
3.操作方向:Top push
4.行程:0.25mm
5.操作寿命(5mA 5V DC):500,000 cycles
6.初期接触电阻:100mΩ max.
7.按钮颜色:Black
8.高度:h=17mm
9.最小订货单位(pcs.):1,000

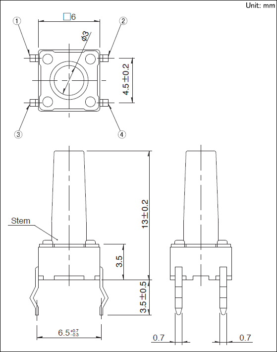
外形图


安装孔尺寸图:                                                       电路图:
联系我们
东莞市一键商贸有限公司   
全国服务电话:0769-86435422
传真:0769-86435433
Q Q:639375660
公司地址:广东省东莞市长安镇太安路长安段915号4007室
我要订购
* 联系人
* 联系电话
电子邮件
QQ
* 产品名称
* 采购意向
温馨提示: 请填写采购的产品数量和产品描述,方便我们进行统一备货。
咨询热线:0769-86435422

Copyright © 东莞市一键商贸有限公司  版权所有 粤ICP备19159891号
全国服务电话:0769-86435422  传真:0769-86435433
公司地址:广东省东莞市长安镇太安路长安段915号4007室  网站地图