欢迎进入东莞市一键商贸有限公司   网站
全国服务热线
0769-86435422
SKRTLAE010
产品简介
1.本产品目录中产品的颜色,与实物的颜色有所差异。 2.关于载带品的试制数量,请以最小订货单位(1卷,1箱)的N倍订货。 3.需要直径φ330mm 的卷盘时请向本公司营业部门咨询。
订购热线:0769-86435422
产品介绍
SKRTLAE010产品技术参数
1.类型:Surface mount
2.动作力:1.6N
3.操作方向:Side push
4.行程:0.2mm
5.操作寿命(5mA 5V DC):100,000 cycles
6.初期接触电阻:500mΩ max.
7.最小订货单位(pcs.) :3,000

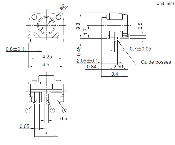
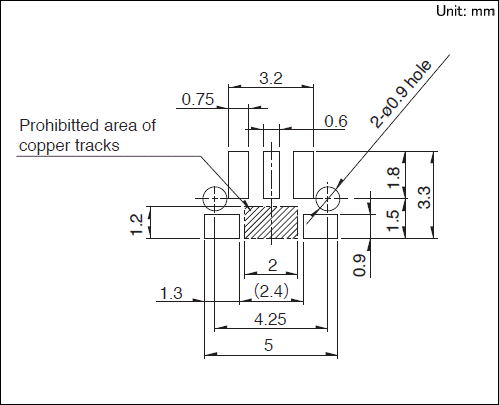
外形图


  
联系我们
东莞市一键商贸有限公司   
全国服务电话:0769-86435422
传真:0769-86435433
Q Q:639375660
公司地址:广东省东莞市长安镇太安路长安段915号4007室
我要订购
* 联系人
* 联系电话
电子邮件
QQ
* 产品名称
* 采购意向
温馨提示: 请填写采购的产品数量和产品描述,方便我们进行统一备货。
咨询热线:0769-86435422

Copyright © 东莞市一键商贸有限公司  版权所有 粤ICP备19159891号
全国服务电话:0769-86435422  传真:0769-86435433
公司地址:广东省东莞市长安镇太安路长安段915号4007室  网站地图