欢迎进入东莞市一键商贸有限公司   网站
全国服务热线
0769-86435422
SPVE110401
产品简介
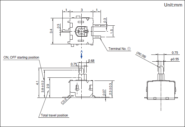
SPVE110100 产品描述 1.电路数: 1 2.接点数: 1 3.端子形状: For PC board (Reflow) 4.动作力: 0.3N max. 5.定位柱: 无 6.滑动杆高度(mm): 4.1 7.ON位置(mm): 3.8 8.全行程位置(mm): 2.9 9.负载寿命: 50,000 cycles 10.最小订货单位(pcs.): 2,800
订购热线:0769-86435422
产品介绍
SPVE110100 产品描述
1.电路数:      1
2.接点数:      1
3.端子形状:      For PC board (Reflow)
4.动作力:      0.3N max.
5.定位柱:                     无
6.滑动杆高度(mm):     4.1
7.ON位置(mm):      3.8
8.全行程位置(mm):     2.9
9.负载寿命:                 50,000 cycles
10.最小订货单位(pcs.):  2,800

外形图


               
联系我们
东莞市一键商贸有限公司   
全国服务电话:0769-86435422
传真:0769-86435433
Q Q:639375660
公司地址:广东省东莞市长安镇太安路长安段915号4007室
我要订购
* 联系人
* 联系电话
电子邮件
QQ
* 产品名称
* 采购意向
温馨提示: 请填写采购的产品数量和产品描述,方便我们进行统一备货。
咨询热线:0769-86435422

Copyright © 东莞市一键商贸有限公司  版权所有 粤ICP备19159891号
全国服务电话:0769-86435422  传真:0769-86435433
公司地址:广东省东莞市长安镇太安路长安段915号4007室  网站地图