欢迎进入东莞市一键商贸有限公司   网站
全国服务热线
0769-86435422
SPVS310100
产品简介
1.本产品目录中产品的颜色,与实物的颜色有所差异。 2.请以最小订购单位的N(整数)倍来订货。 3.本系列产品也可以用于车载。
订购热线:0769-86435422
产品介绍
SPVS310100产品技术参数
1.电路数:1
2.接点数:1
3.端子形状:For PC board (Reflow)
4.动作力:0.35N max.
5.扳手的长度:Standard
6.操作方向:Right
7.电路:N/O
8.定位销:有
9.框脚:有
10.使用温度范围:-40℃ to +85℃
11.最大额定/最小额定(电阻负载):1mA 5V DC/50μA 3V DC
12.最小订货单位(pcs.):5,000

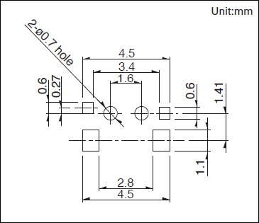
外形图




   

 
联系我们
东莞市一键商贸有限公司   
全国服务电话:0769-86435422
传真:0769-86435433
Q Q:639375660
公司地址:广东省东莞市长安镇太安路长安段915号4007室
我要订购
* 联系人
* 联系电话
电子邮件
QQ
* 产品名称
* 采购意向
温馨提示: 请填写采购的产品数量和产品描述,方便我们进行统一备货。
咨询热线:0769-86435422

Copyright © 东莞市一键商贸有限公司  版权所有 粤ICP备19159891号
全国服务电话:0769-86435422  传真:0769-86435433
公司地址:广东省东莞市长安镇太安路长安段915号4007室  网站地图