欢迎进入东莞市一键商贸有限公司   网站
全国服务热线
0769-86435422
SSCTL10400
产品简介
SSCTL10400 产品技术参数 1.电路数:1 2.接点数:1 3.动作力:0.35N max. 4.无负载寿命:50,000 cycles 5.最小订货单位(pcs.):2,000
订购热线:0769-86435422
产品介绍
SSCTL10400   产品技术参数
1.电路数:1
2.接点数:1
3.动作力:0.35N max.
4.无负载寿命:50,000 cycles  
5.最小订货单位(pcs.):2,000

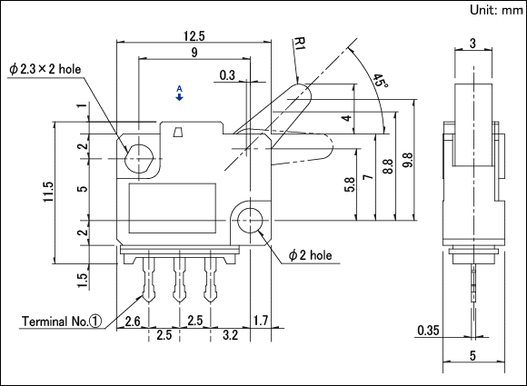
外形图


联系我们
东莞市一键商贸有限公司   
全国服务电话:0769-86435422
传真:0769-86435433
Q Q:639375660
公司地址:广东省东莞市长安镇太安路长安段915号4007室
我要订购
* 联系人
* 联系电话
电子邮件
QQ
* 产品名称
* 采购意向
温馨提示: 请填写采购的产品数量和产品描述,方便我们进行统一备货。
咨询热线:0769-86435422

Copyright © 东莞市一键商贸有限公司  版权所有 粤ICP备19159891号
全国服务电话:0769-86435422  传真:0769-86435433
公司地址:广东省东莞市长安镇太安路长安段915号4007室  网站地图